PT62 | Bluebell - Authorized Valve Dealer & Supplier

PT 62 (IBR/Non IBR)

PT 62 (IBR/Non IBR)

Float & Thermostatic Steam Traps

DESCRIPTION:

PT62 float and thermostatic (internal air vent) steam traps are designed for draining condensate from all types of low and medium pressure steam heating and process equipment.

FEATURES:

Modulating discharge. Discharges condensate at steam temperature. Excellent air venting (by thermostatic air vent).

TMA: Max.

220 oC

PMA: Max.

16 bar(g)

MOC

A216 Gr. WCB

End connection: Screwed NPT / BSPT / BSP / Flanged / Socket Weld

Available Sizes

Material

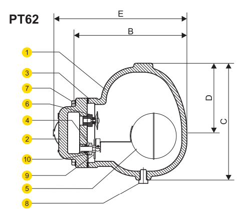
NO. PART MATERIAL QTY.
1. BODY ASTM A216 Gr. WCB 01
2. COVER ASTM A216 Gr. WCB 01
3. GASKET GRAPHITE WITH SS REINFORCEMENT 01
4. VALVE SEAT AISI 410/420 01
5. BALL FLOAT & LEVER ASSY. AISI 304 01
6. AIR VENT STAINLESS STEEL 01
7. BOLT ASTM A193 Gr. B7 04
8. DRAIN PLUG CARBON STEEL 01
9. BRACKET ASSY. AISI 304 01
10. GASKET COPPER 01
11. SLR UNIT* AISI 304 01

Product GAD

Pennant PT62 Design1
Pennant PT62 Design2

Dimensions

Nominal in mm

SIZE A B C D E F
#150, PN16, PN40 #300
DN15 100 140 104 52 165 5.4 5.9
DN20 100 140 104 52 165 5.8 6.5
DN25 120 188 165 105 215 11.5 12.5
SIZE F
WNRF #150 WNRF #300 INT. FLANGE (#150, 300, PN16 & PN40)
DN15 167 185 150
DN20 177 190 150
DN25 210 220 160

Ordering Information

1) Inlet Pressure in bar(g)

2) Back Pressure in bar(g)

3) Operating Temperature in oC

4) Condensate Load in kg/hr

5) Size & Model

6) End Connections

7) IBR/NIBR

Please Fill in the Details for Prompt Response