PT67 | Bluebell - Authorized Valve Dealer & Supplier

PT 67

PT 67

Float & Thermostatic Steam Traps

DESCRIPTION:

PT67 high capacity float operated traps with manual airventing facility. Designed for draining condensate from all types of low and medium pressure heating and process equipment.

FEATURES:

Modulating discharge. Discharges condensate at steam temperature. Excellent air venting (by thermostatic air vent).

TMA: Max.

220 oC

PMA: Max.

12.5 bar(g)

MOC

A516 Gr. 70

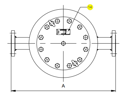
End connection: Flanged #150, #300

Available Sizes

Material

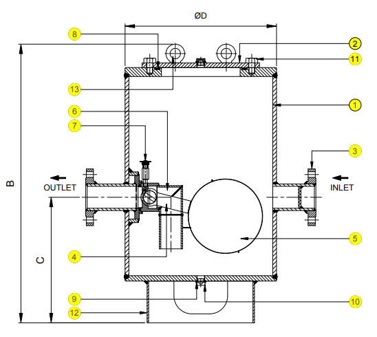
NO. PART MATERIAL QTY. (Nos)
1. BODY SHELL ASTM A106 Gr. B 1
2. COVER PLATE ASTM A516 Gr. 70 1
3. FLANGE ASTM A105 2
4. LEVER AISI 304 1
5. FLOAT ASSLY AISI 304 1
6. HOUSING ASSLY WITH SUCTION PIPE AISI 304 1
7. AIR VENT ASSLY. AISI 304 1
8. COVER GASKET GRAPHITE WITH SS REINFORCEMENT 1
9. DRAIN PLUG GASKET COPPER 2
10. DRAIN PLUG ASTM A743 Gr. CA40 1
11. BOLT ASTM A193 Gr.B7 12
12. STAND M.S. 1
13. EYE BOLT AISI 304 2
14. LABEL AISI 304 1

Product GAD

Pennant PT67 Design1
Pennant PT67 Design2

Dimensions

Nominal in mm

MODEL A B C ϕD
PT67 - 2 bar 814 879 397 610
PT67 - 3 bar, 5 bar 772 872 421 508

Please Fill in the Details for Prompt Response