PT63 | Bluebell - Authorized Valve Dealer & Supplier

PT 63

PT 63

Float & Thermostatic Steam Traps

DESCRIPTION:

PT63 float and thermostatic (internal air vent) steam traps are designed for draining condensate from building heating installations. They can also be used in low pressure industrial installations.

FEATURES:

The “H” pattern offers users multiple fitment options. Modulating discharge of hot condensate at close to saturation temperature. Good air venting facilitates a fast start-up.

TMA: Max.

220 oC

PMA: Max.

16 bar(g)

MOC

CAST IRON

End connection: Screwed NPT / BSPT / BSP

Available Sizes

Material

No. PART MATERIAL QTY.
1. BODY CAST IRON 01
2. COVER CAST IRON 01
3. BALL FLOAT & LEVER ASSY. AISI 304 01
4. BRACKET AISI 304 01
5. VALVE SEAT AISI 410 / 420 01
6. AIR VENT STAINLESS STEEL 01
7. GASKET COPPER 01
8. DRAIN PLUG CARBON STEEL 01
9. BOLT HIGH TENSILE 06
10. GASKET Non CAF 01

Product GAD

Pennant PT63 Design1
Pennant PT63 Design2

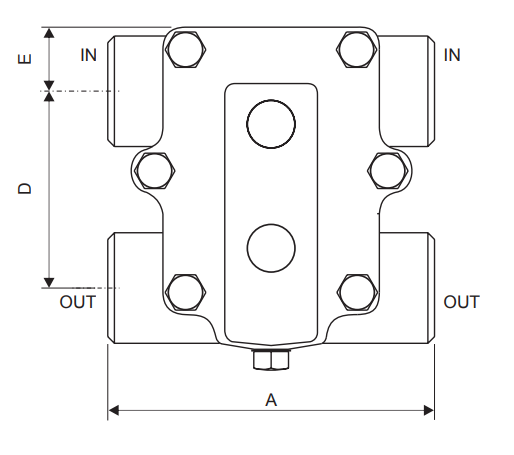
Dimensions

Nominal in mm

SIZE A B C D E
DN 20, 25, 32 146 152 152 86 29
DN40, 50 190 205 210 100 65

Weights

(approx.)

Size SCR / SW
DN20, 25 5.5 kg
DN32 6 kg
DN40, 50 11 kg

Ordering Information

1) Inlet Pressure in bar(g)

2) Back Pressure in bar(g)

3) Operating Temperature in oC

4) Condensate Load in kg/hr

5) Size & Model

6) End Connections

Please Fill in the Details for Prompt Response