PT65 | Bluebell - Authorized Valve Dealer & Supplier

PT 65

PT 65

Float & Thermostatic Steam Traps

DESCRIPTION:

Cast iron float and thermostatic (internal air vent) steam traps are designed for draining condensate from all types of low and medium pressure steam heating and process equipment.

FEATURES:

Modulating discharge. Discharges condensate at steam temperature. Excellent air venting (by thermostatic air vent).

TMA: Max.

220 oC

PMA: Max.

16 bar(g)

MOC

CAST IRON

End connection: Screwed NPT / BSPT / BSP

Available Sizes

Material

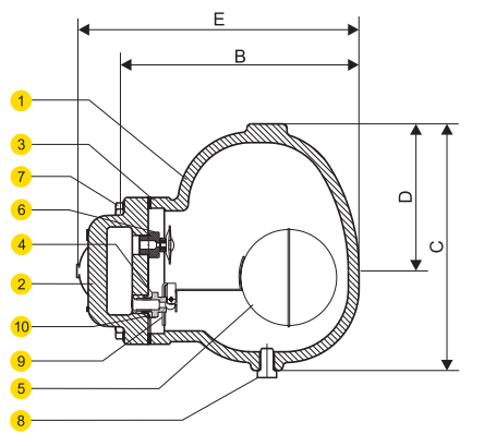
NO. PART MATERIAL QTY. (Nos.)
1. BODY CAST IRON 01
2. COVER CAST IRON 01
3. GASKET GRAPHITE WITH SS REINFORCEMENT 01
4. VALVE SEAT AISI 410/420 01
5. BALL FLOAT & LEVER ASSY. AISI 304 01
6. AIR VENT STAINLESS STEEL 01
7. BOLT HIGH TENSILE 04
8. DRAIN PLUG CARBON STEEL 01
9. BRACKET ASSY. AISI 304 01
10. GASKET COPPER 01
11. SLR UNIT AISI 304 01

Product GAD

Pennant PT65 Design1
Pennant PT65 Design2

Dimensions

Nominal in mm

SIZE A B C D E F
DN25 120 188 170 105 215 7 kg

Ordering Information

1) Inlet Pressure in bar(g)

2) Back Pressure in bar(g)

3) Operating Temperature in oC

4) Condensate Load in kg/hr

5) Size & Model

6) End Connections

Please Fill in the Details for Prompt Response