1083 Cast Iron Non Return Valve (PN 1.0) (Flanged) | Bluebell - Authorized Valve Dealer & Supplier

Check Valves

Cast Iron Non Return Valve (PN 1.0) (Flanged)

Article Code: 1083

Suitable For

Steam
Water
Oil
Air
Gases

Salient Features

  • Design Standard IS 5312 – 1.
  • Flanged Ends to IS 1538.
  • Seating design – Swing Type.
  • Bolted Cover.
  • Renewable Seat with Premium Quality Rubber Flap.
  • Flexible installation (Horizontal / Vertical)
  • Pressure Rating PN:
  • Test Pressure (Hydrostatic) :
  • Shell : 1.5 MPa
  • Seat : 1.0 MPa
  • Maximum Working Temperature : 80oC

Description

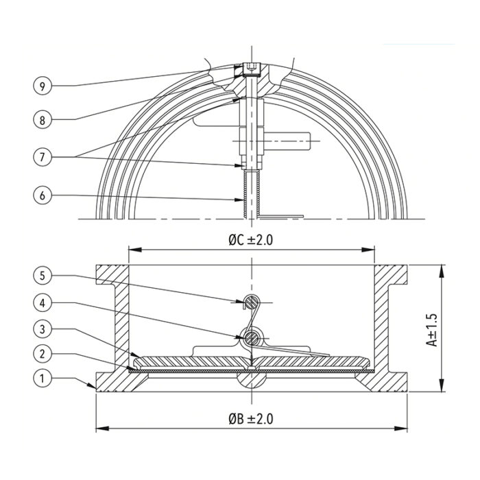
P.No. Name of Part Material of Material Specification Qty.
1 Bolts Carbon Steel IS 1363 Part 1 Class 4.6 As Reqd.
2 Cover Cast Iron IS 210 Gr. FG 200 1
3 Gasket Nitrile Rubber IS 638 Type B 1
4 Body Cast Iron IS 210 Gr. FG 200 1
5 Hinge Pin Stainless Steel IS 6603 Gr. X04 Cr19Ni9 1
6 Body Seat Ring Bronze IS 318 Gr. LTB 2 1
7 Bolts Carbon Steel IS 1363 Part 1 Class 4.6 1
8 Washer Carbon Steel – – – 1
9 Disc Facing Nitrile Rubber IS 638 Type B 1
10 Disc Cast Iron IS 210 Gr. FG 200 1
11 Hinge Cast Iron IS 210 Gr. FG 200 1
12 Bolt (Optional) Carbon Steel IS 1363 Part 1 Class 4.6 1
13 Washer Carbon Steel – – – 1
14 Plug Stainless Steel IS 6603 Gr. 12 Cr12 2
15 Nut Carbon Steel IS 1363 Part 3 Class 4.0 As Reqd.
16 Split Pin (Optional) Carbon Steel – – – 1
17 Hinge Bush Bronze IS 318 Gr. LTB 2 1

Product GAD

Ductile Iron Dual Plate Wafer Type Check Valve (PN 16) Design

Sizes / Dimensions

Size (Inches) Size (mm) A ØB C
2* 50 203 ±2 165 (+1.5/-1.0) 16 ±2
2 1/2* 65 216 ±2 185 (+1.5/-1.0) 16 ±2
3 80 241 ±2 200 ±4.5 21 ±3
4 100 292 ±2 220 ±4.5 22 ±3
5 125 330 ±2 250 ±4.5 22.5 ±3
6 150 356 ±2 285 (+5.5/-2.5) 23 ±3
8 200 495 ±3 340 (+5.5/-2.5) 24.5 ±3
10 250 622 ±3 395 (+5.5/-2.5) 26 ±3
12 300 698 ±3 445 (+5.5/-2.5) 27.5 ±3

Please Fill in the Details for Prompt Response