1009A Forged Brass Multi Utility Check Valve (Screwed) | Bluebell - Authorized Valve Dealer & Supplier

Check Valves

Forged Brass Multi Utility Check Valve (Screwed)

Article Code: 1009A

Suitable For

Steam
Water
Oil
Air
Gases

Salient Features

  • Screwed Female Ends to IS 554 / BS 21 / ISO 7.
  • Screwed in Bonnet.
  • Suitable for both Horizontal and Vertical Lines.
  • Permits flow in one direction and shuts automatically if the flow reverses.
  • Disc is guided in Body as well as in Bonnet.
  • Chrome Finish.
  • Pressure Rating PN:
  • Test Pressure (Hydrostatic) :
  • Shell : 15 kg/cm2g (220 psig)
  • Seat : 10 kg/cm2g (150 psig)
  • Maximum Working Temperature : 90oC
Available Sizes

Description

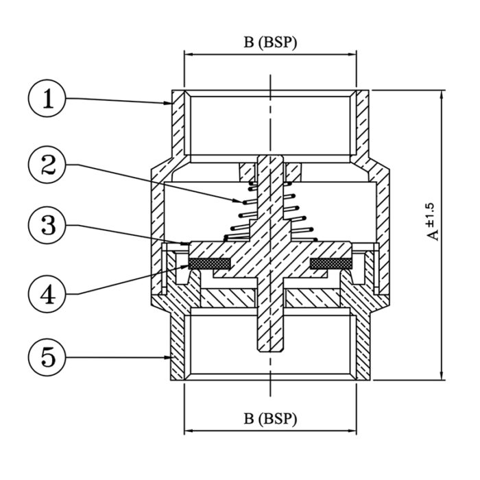
P.No. Name of Part Material of Construction Specification Quantity
1 Body Forged Brass IS 6912 Gr. FLB 1
2 Spring Stainless Steel Type 304 1
3 Disc Forged Brass IS 6912 Gr. FLB 1
4 Disc Facing Nitrile Rubber IS 638 Type B 1
5 Bonnet Forged Brass IS 6912 Gr. FLB 1

Product GAD

Forged Brass Multi Utility Check Valve (Screwed) Design

Sizes / Dimensions

Size (Inches) Size (mm) A ±1.5 B
1/2 15 46 1/2"
3/4 20 53 3/4"
1 25 56 1"
1 1/4 32 60 1 1/4"
1 1/2 40 65 1 1/2"
2 50 76 2"

Please Fill in the Details for Prompt Response