1084A Cast Iron Y-Type Strainer PN 16 (Flanged) | Bluebell - Authorized Valve Dealer & Supplier

Strainers

Cast Iron Y-Type Strainer PN 16 (Flanged)

Article Code: 1084A

Suitable For

Steam
Water
Oil
Air
Gases

Salient Features

  • Flanged Ends to BS 10 Table ‘F’.
  • Stainless Steel (S.S 304) perforated sheet screen (Ø3 mm Perforation) is guided in body and cover.
  • Large screening area makes the strainer efficient in performance.
  • Minimum pressure drop inside the body due to streamlined body contours.
  • Pressure Rating PN:
  • Test Pressure (Hydrostatic) :
  • Shell : 24 kg/cm2g (340 psig)
  • Working Pressure (Steam) : 16 kg/cm2g (225 psig)

Description

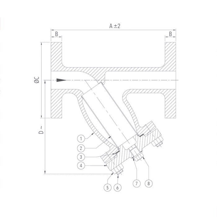
P.No. Name of Part Material of Construction Specification Qty.
1 Body Cast Iron IS 210 Gr. FG 200 1
2 Screen (Ø3 mm Perforation) Stainless Steel Type 304 1
3 Gasket Rubber IS 638 Type B 1
4 Cover Cast Iron IS 210 Gr. FG 200 1
5 Nuts Carbon Steel – – – As Reqd.
6 Studs Carbon Steel – – – As Reqd.
7 Gasket Rubber IS 638 Type B 1
8 Drain Plug Brass / Bronze IS 6912 Gr. FLB / IS 318 Gr. LTB 2 1

Product GAD

Cast Iron Y-Type Strainer PN 16 (Flanged) Design

Sizes / Dimensions

Size (Inches) Size (mm) A ±2 B +3 ØC +3 D ~
1 1/2 40 165 16 139.7 152
2 50 180 19 165.1 169
2 1/2 65 206 19 184.2 180
3 80 260 19 203.2 242
4 100 295 22.2 228.6 267
5 125 385 25.4 279.4 320
6 150 385 25.4 304.8 331
8 200 525 28.6 368.3 434
10 250 700 28.6 431.8 533

Please Fill in the Details for Prompt Response