1070 Cast Iron Y-Type Strainer (Flanged) | Bluebell - Authorized Valve Dealer & Supplier

Strainers

Cast Iron Y-Type Strainer (Flanged)

Article Code: 1070

Suitable For

Steam
Water
Oil
Air
Gases

Salient Features

  • Flanged Ends to BS 10 Table ‘F’.
  • Stainless Steel (S.S 304) perforated sheet screen (Ø1 mm Perforation) is guided in body and cover.
  • Drain Plug is provided to remove the accumulated foreign particles.
  • Fine finish and smooth contours reduce pressure drop in the strainer.
  • Large screening area makes the strainer efficient in performance.
  • Pressure Rating PN:
  • Test Pressure (Hydrostatic) :
  • Shell : 21.10 kg/cm2g (300 psig)
  • Working Pressure (Steam) : 10.55 kg/cm2g (150 psig)
  • Maximum Working Temperature : 220oC

Description

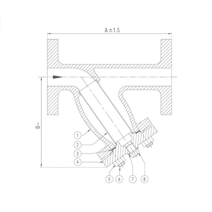
P.No. Name of Part Material of Construction Specification Qty.
1 Body Cast Iron IBR 86-93 Gr. A 1
2 Screen (Ø1 mm Perforation) Stainless Steel Type 304 1
3 Gasket Steam Jointing Sheet IS 2712 Gr. W/3 1
4 Cover Cast Iron IBR 86-93 Gr. A 1
5 Nuts Carbon Steel IS 1367 As Reqd.
6 Studs Carbon Steel IS 1367 As Reqd.
7 Gasket Steam Jointing Sheet IS 2712 Gr. W/3 1
8 Plug Bronze IBR 282 (a) (iv) Gr. B 1

Product GAD

Cast Iron Y-Type Strainer (Flanged) Design

Sizes / Dimensions

Size (Inches) Size (mm) A ±1.5 B ~
1/2 15 136 87
3/4 20 140 88
1 25 162 112
1 1/4 32 185 135
1 1/2 40 206 152
2 50 210 205
2 1/2 65 248 250
3 80 270 268
4 100 381 290

Please Fill in the Details for Prompt Response