1089 Cast Steel Three Piece Design Ball Valve, Class-150 (Flanged) | Bluebell - Authorized Valve Dealer & Supplier

Ball Valves

Cast Steel Three Piece Design Ball Valve, Class-150 (Flanged)

Article Code: 1089

Suitable For

Steam
Water
Oil
Air
Gases

Salient Features

  • Design Standard BS EN ISO 17292 (BS 5351).
  • Flanged Ends to ANSI B16.5 Class-150 (Drilled)./span>
  • Three Piece Design.
  • Superb in Quality and Performance.
  • Pressure Rating PN:
  • Test Pressure (Hydrostatic) :
  • Shell : 31 kg/cm2g (440 psig)
  • Maximum Working Pressure : 21 kg/cm2g (300 psig)
  • Seat (Steam) : 10.55 kg/cm2g (150 psig)
  • Maximum Working Temperature : 220oC

Description

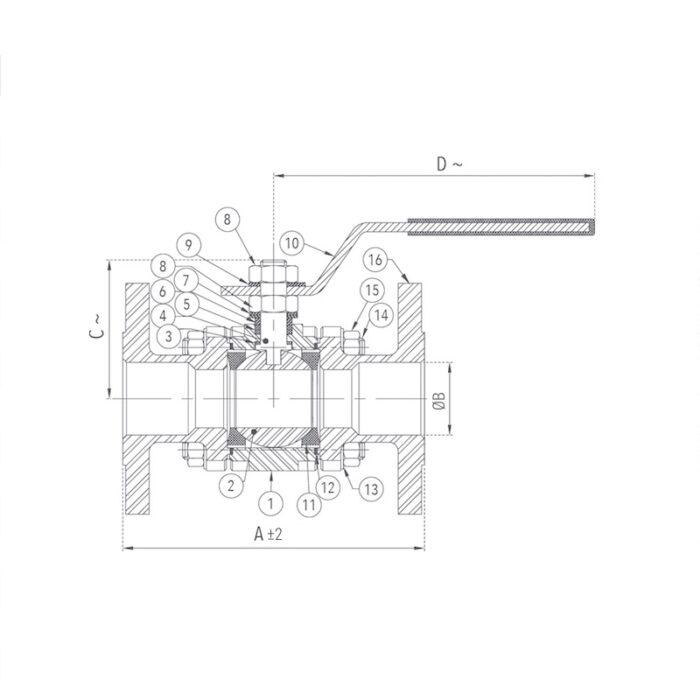
P.No. Name of Part Material of Construction Specification Quantity
1 Body Cast Steel ASTM A 216 Gr. WCB 1
2 Ball Stainless Steel ASTM A 276 Type 304 / ASTM A 351 Gr. CF8 1
3 Thrust Washer PTFE 35% Carbon Filled - - - 1
4 Stem Stainless Steel ASTM A276 Type 316 1
5 Packing Ring PTFE 35% Carbon Filled – – – 2
6 Gland Stainless Steel ASTM A276 Type 304 1
7 Cup Washer Stainless Steel ASTM A276 Type 304 2
8 Nut H.T. Steel ASTM A 194 Gr. 2H 2
9 Spring Washer Spring Steel EN 47 Gr. B 1
10 Lever Carbon Steel – – – 1
11 Body Seat Ring PTFE – – – 2
12 Gasket PTFE – – – 2
13 Spring Washer Spring Steel EN 47 Gr. B 8
14 Studs Alloy Steel ASTM A 193 Gr. B7 4
15 Nuts H.T Steel ASTM A 194 Gr. 2H 8
16 End Connector Cast Steel ASTM A 216 Gr. WCB 2

Product GAD

Cast Steel Three Piece Design Ball Valve, Class-150 (Flanged)

Sizes / Dimensions

Size (Inches) Size (mm) A ±1.5 B C ~ D ~
1/2 15 108 15 38 150
3/4 20 117 20 40 150
1 25 127 25 57 160
1 1/4 32 140 32 65 160
1 1/2 40 165 40 75 202
2 50 178 50 80 202
2 1/2 65 191 63.5 125 250
3 80 203 76 137 335
4 100 229 100 158 335

Please Fill in the Details for Prompt Response