1066 Cast Iron Globe Steam Stop Valve (Angle Pattern) (Flanged) | Bluebell - Authorized Valve Dealer & Supplier

Globe Valves

Cast Iron Globe Steam Stop Valve (Angle Pattern) (Flanged)

Article Code: 1066

Suitable For

Steam
Water
Oil
Air
Gases

Salient Features

  • Flanged Ends to DIN 2533 PN 16RF.
  • Straight Pattern, Screwed in Bonnet, Inside Screw, Rising Stem.
  • Provision for re-packing under pressure.
  • Renewable 13% Cr. Stainless Steel (S.S 410) working parts.
  • Minimum pressure drop inside the body due to streamlined body design.
  • High lift of the seat to avoid any obstruction in the flow.
  • Sturdy and comparatively bigger sized wheel provided to give sufficient torque for easy operation.
  • Pressure Rating PN:
  • Test Pressure (Hydrostatic) :
  • Shell : 26 kg/cm2g (370 psig)
  • Working Pressure (Steam) : 13 kg/cm2g (185 psig)
  • Maximum Working Temperature : 225oC

Description

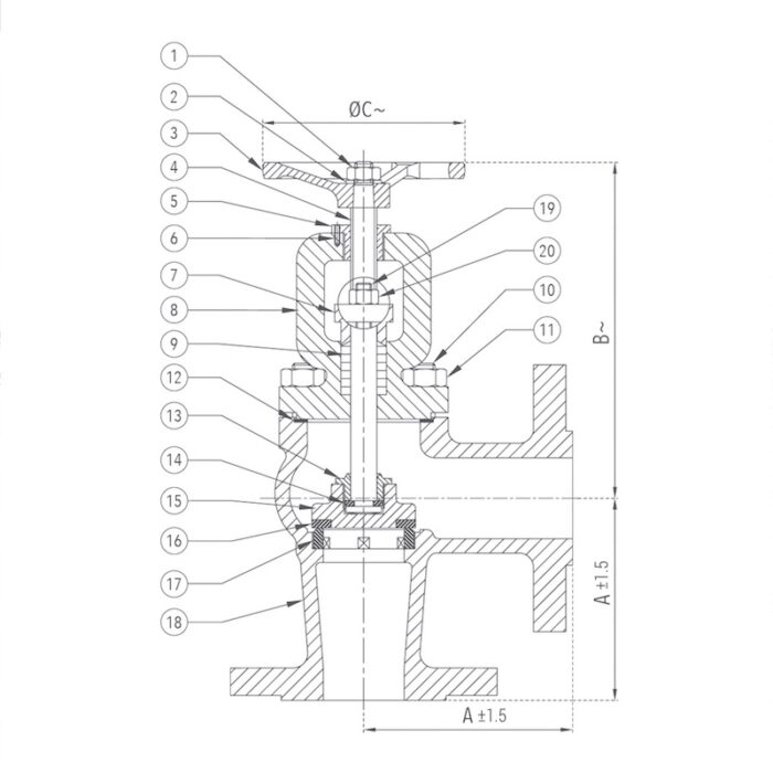
P.No. Name of Part Material of Construction Specification Quantity
1 Nut Carbon Steel – – – 1
2 Washer Carbon Steel – – – 1
3 Handwheel Cast Iron IS 210 Gr. FG 200 1
4 Stem Stainless Steel ASTM 276 Type 410 1
5 Yoke Bush Bronze IS 318 Gr. LTB 2 1
6 Locking Screw Carbon Steel – – – 1
7 Gland Flange Cast Iron IBR 86-93 Gr. A 1
8 Bonnet Cast Iron IBR 86-93 Gr. A 1
9 Gland Packing Braided Graphited Asbestos IS 4687
10 Studs Carbon Steel IS 1367 As Reqd.
11 Nuts Carbon Steel IS 1367 As Reqd.
12 Gasket Steam Jointing Sheet IS 2712 Gr. W/3 1
13 Stem Nut Stainless Steel ASTM A 276 Type 410 1
14 Stem Ring Stainless Steel ASTM A 276 Type 410 1
15 Disc Cast Iron IBR 86-93 Gr. A 1
16 Seat Ring Stainless Steel ASTM A 276 Type 410 / ASTM A 182 Gr. F6a 1
17 Body Seat Ring Stainless Steel ASTM A 276 Type 410 / ASTM A 182 Gr. F6a 1
18 Body Cast Iron IBR 86-93 Gr. A 1
19 Nuts Carbon Steel IS 1367 2
20 Bolts Carbon Steel IS 1367 2

Product GAD

Cast Iron Globe Steam Stop Valve (Angle Pattern) (Flanged) Design

Sizes / Dimensions

Size (Inches) Size (mm) A ±1.5 B ~ ØC ~
1/2 15 90 150 96
3/4 20 95 154 96
1 25 100 162 118
1 1/4 32 105 176 118
1 1/2 40 115 204 150
2 50 125 223 150
2 1/2 65 145 250 180
3 80 155 275 200
4 100 175 305 235
6 150 225 419 350
8 200 275 475 435

Please Fill in the Details for Prompt Response