1042 Bronze Globe Steam Stop Valve (Flanged) | Bluebell - Authorized Valve Dealer & Supplier

Globe Valves

Bronze Globe Steam Stop Valve (Flanged)

Article Code: 1042

Suitable For

Steam
Water
Oil
Air
Gases

Salient Features

  • Flanged Ends to BS 10 Table ‘H’.
  • Straight Pattern, Screwed in Bonnet, Inside Screw, Rising Stem.
  • Provision for re-packing under pressure.
  • Renewable 13% Cr. Stainless Steel (S.S 410) working parts.
  • Handwheel Operated.
  • Heat treated body seat ring and disc for extended life.
  • Pressure Rating PN:
  • Test Pressure (Hydrostatic) :
  • Shell : 35.15 kg/cm2g (500 psig)
  • Working Pressure (Steam) : 17.58 kg/cm2g (250 psig)
  • Maximum Working Temperature : 225oC
Available Sizes

Description

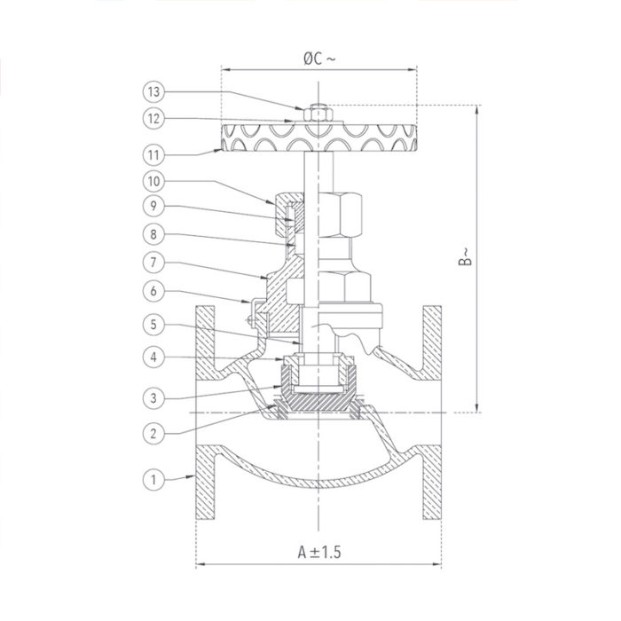
P.No. Name of Part Material of Construction Specification Quantity
1 Body Bronze IBR 282 (a) (IV) Gr. B 1
2 Body Seat Ring Stainless Steel ASTM A276 Type 410 1
3 Disc Stainless Steel ASTM A276 Type 410 1
4 Disc Nut Bronze IBR 282 (a) (IV) Gr. B 1
5 Stem Stainless Steel ASTM A276 Type 410 1
6 Safety Lock Brass Sheet IS 410 1
7 Bonnet Bronze IBR 282 (a) (IV) Gr. B 1
8 Gland Packing Asbestos IS 4687
9 Gland Bronze IBR 282 (a) (IV) Gr. B 1
10 Gland Nut Bronze IBR 282 (a) (IV) Gr. B 1
11 Handwheel Cast Iron IS 210 Gr. FG 200 1
12 Washer Carbon Steel – – – 1
13 Nut Carbon Steel – – – 1

Product GAD

Bronze Globe Steam Stop Valve (Flanged) Design

Sizes / Dimensions

Size (Inches) Size (mm) A ±1.5 B ~ ØC ~
1/2 15 102 115 90
3/4 20 114 115 90
1 25 127 130 102
1 1/4 32 140 160 127
1 1/2 40 152 168 127
2 50 178 185 150

Please Fill in the Details for Prompt Response