1033 Bronze Globe Valve (Screwed) | Bluebell - Authorized Valve Dealer & Supplier

Globe Valves

Bronze Globe Valve (Screwed)

Article Code: 1033

Suitable For

Steam
Water
Oil
Air
Gases

Salient Features

  • Screwed Female Ends to IS 554 / BS 21 / ISO 7.
  • Screwed on Bonnet, Rising Stem.
  • Provision for re-packing under pressure.
  • Renewable 13% Cr. Stainless Steel (S.S 410) working parts.
  • Handwheel Operated.
  • Pressure Rating PN:
  • Test Pressure (Hydrostatic) :
  • Shell : 35 kg/cm2g (500 psig)
  • Working Pressure (Steam) : 10.55 kg/cm2g (150 psig)
  • Maximum Working Temperature : 225oC

Description

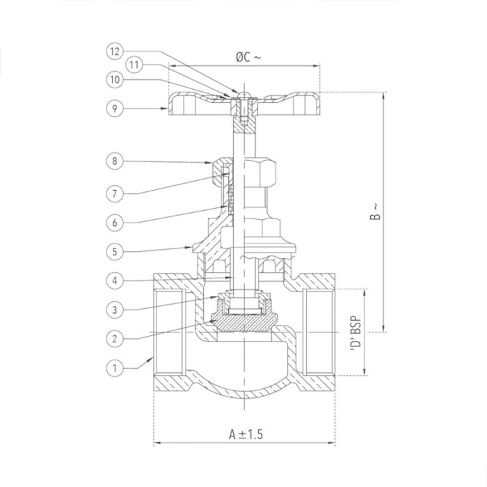
P.No. Name of Part Material of Construction Specification Quantity
1 Body Bronze IS 318 Gr. LTB 2 1
2 Disc Bronze IS 318 Gr. LTB 2 1
3 Disc Nut Bronze IS 318 Gr. LTB 2 1
4 Stem Forged Brass IS 6912 Gr. FLB 1
5 Bonnet Bronze IS 318 Gr. LTB 2 1
6 Gland Packing PTFE – – –
7 Gland Forged Brass IS 6912 Gr. FLB 1
8 Gland Nut Forged Brass IS 6912 Gr. FLB 1
9 Handwheel Sheet Metal (Powder Coated) – – – 1
10 Name Plate Aluminium – – – 1
11 Washer Carbon Steel (Zinc Plated) – – – 1
12 Screw / Bolt Carbon Steel (Zinc Plated) – – – 1

Product GAD

Bronze Globe Valve (Screwed) Design

Sizes / Dimensions

Size (Inches) Size (mm) A ±1.5 B ~ ØC ~ D
1/4 8 47 67 50 1/4"
3/8 10 50 70 50 3/8"
1/2 15 60 90 60 1/2"
3/4 20 70 105 65 3/4"
1 25 80 115 70 1"
1 1/4 32 95 127 80 1 1/4"
1 1/2 40 110 138 90 1 1/2"
2 50 125 162 110 2"
2 1/2 65 150 183 130 2 1/2"
3 80 160 207 140 3"
4 100 216 250 160 4"

Please Fill in the Details for Prompt Response