1065 Cast Iron Globe Steam Stop Valve (Straight Pattern) (Flanged) | Bluebell - Authorized Valve Dealer & Supplier

Globe Valves

Cast Iron Globe Steam Stop Valve (Straight Pattern) (Flanged)

Article Code: 1065

Suitable For

Steam
Water
Oil
Air
Gases

Salient Features

  • Flanged Ends to DIN 2533 PN 16RF.
  • Straight Pattern, Screwed in Bonnet, Inside Screw, Rising Stem.
  • Provision for re-packing under pressure.
  • Renewable 13% Cr. Stainless Steel (S.S 410) working parts.
  • Minimum pressure drop inside the body due to streamlined body design.
  • High lift of the seat to avoid any obstruction in the flow.
  • Sturdy and comparatively bigger sized wheel provided to give sufficient torque for easy operation.
  • Pressure Rating PN:
  • Test Pressure (Hydrostatic) :
  • Shell : 26 kg/cm2g (370 psig)
  • Working Pressure (Steam) : 13 kg/cm2g (185 psig)
  • Maximum Working Temperature : 225oC

Description

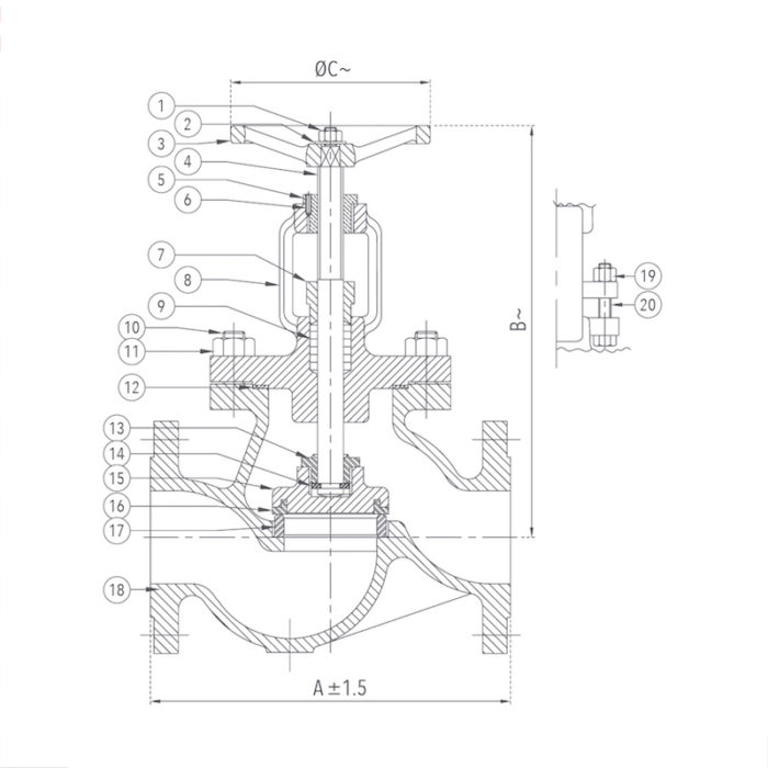
P.No. Name of Part Material of Construction Specification Quantity
1 Nut Carbon Steel – – – 1
2 Washer Carbon Steel – – – 1
3 Handwheel Cast Iron IS 210 Gr. FG 200 1
4 Stem Stainless Steel ASTM 276 Type 410 1
5 Yoke Bush Bronze IS 318 Gr. LTB 2 1
6 Locking Screw Carbon Steel – – – 1
7 Gland Flange Cast Iron IBR 86-93 Gr. A 1
8 Bonnet Cast Iron IBR 86-93 Gr. A 1
9 Gland Packing Braided Graphited Asbestos IS 4687
10 Studs Carbon Steel IS 1367 As Reqd.
11 Nuts Carbon Steel IS 1367 As Reqd.
12 Gasket Steam Jointing Sheet IS 2712 Gr. W/3 1
13 Stem Nut Stainless Steel ASTM A 276 Type 410 1
14 Stem Ring Stainless Steel ASTM A 276 Type 410 1
15 Disc Cast Iron IBR 86-93 Gr. A 1
16 Seat Ring Stainless Steel ASTM A 276 Type 410 / ASTM A 182 Gr. F6a 1
17 Body Seat Ring Stainless Steel ASTM A 276 Type 410 / ASTM A 182 Gr. F6a 1
18 Body Cast Iron IBR 86-93 Gr. A 1
19 Nuts Carbon Steel IS 1367 2
20 Bolts Carbon Steel IS 1367 2

Product GAD

Cast Iron Globe Steam Stop Valve (Straight Pattern) (Flanged) Design

Sizes / Dimensions

Size (Inches) Size (mm) A ±1.5 B ~ ØC ~
1/2 15 130 166 96
3/4 20 150 166 96
1 25 160 180 118
1 1/4 32 180 196 118
1 1/2 40 200 228 150
2 50 230 250 150
2 1/2 65 290 280 180
3 80 310 295 200
4 100 350 335 235
5 125 400 409 285
6 150 480 470 350
8 200 600 580 435

Please Fill in the Details for Prompt Response