Scotch Yoke Pneumatic Actuator Series 98 | Bluebell - Authorized Valve Dealer & Supplier

Pneumatic Actuator

Series 98

Scotch Yoke Pneumatic Actuator

DESCRIPTION:

Bray's engineering excellence and precision manufacturing have produced the Series 98 pneumatic actuator, part of our modular, fully configurable product line optimized for direct mounting on Bray valves for flexibility and efficiency at reduced cost. Series 98 actuators were designed primarily for pneumatic operation to a maximum pressure of 150 psi (10.3 Bar) and for temperature ranges of -50°F (-46°C) to 300°F (+149°C).

SPECIFICATIONS:

• Pressure Range: 40 - 150 psi (2.8 - 10.3 bar)

• Media: - Dry Compressed Air/Inert Gas/Natural Gas

• Torque Base: Mounting Dimensions as per ISO 5211: 2001(E)

• Performance Testing: EN 15714-3:2009

Detailed Specifications

Output Torque:2,744 to 885,100 in-lb (310 to 100,000 Nm)
Control Options:On/Off, Direct Acting, Spring Return
Temperature Range:-50°F to 300°F (-46°C to 149°C)
Power Source:Pneumatic
Maximum Allowable Operating
Pressure:
40 - 150 psi (2.8 - 10.3 bar)
Enclosure Ratings:IP66/IP67M per IEC 60529
Mounting:ISO 5211: 2001(E), MSS SP-101-1989
Supply Media:Dry Compressed Air, Inert Gas
Certifications:ATEX, PED, SIL 3, ABS
Testing Standard:EN 15714-3:2009
Options:Symmetrical Yoke, Canted Yoke, Extended Stop, Hydraulic Override, Jack Screw, Jack Screw Gear Driven Override, Hydraulic Damper, Partial Stroke/Lockout/span>
Valve Compatibility:Ball Valves, Butterfly Valves
Applications:Emergency Shutdown

Product GAD

Scotch Yoke Pneumatic Actuator Series 98 Design

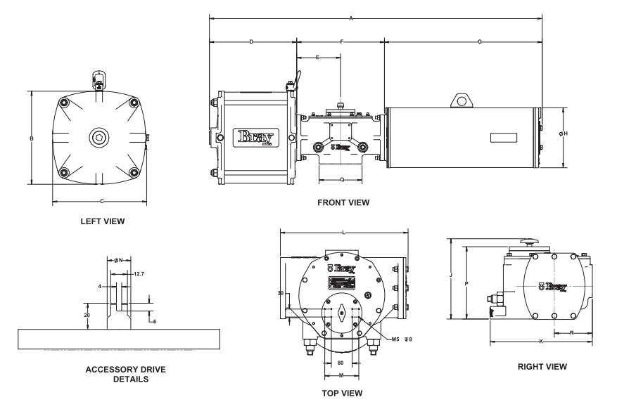
Dimensions

Model ISO Base A B C D E F G H J K L M N P T U
12E2 F12/F07 893 248 248 257 118 236 400 180 185 173 248 -- 15 155 113 76
18E2 F12 1077 274 274 309 141 281 486 205 222 220 296 -- 15 189 113 102
45E2 F16/F12 1342 376 376 360 159 318 664 240 246 240 333 -- 18 216 195 96
73E2 F16/F12 1526 427 427 400 201 402 723 326 300 288 420 -- 18 249 197 129
14E3 F25/F16 1843 542 542 477 235 470 896 342 307 390 498 130 18 276 300 145
24E3 F30/25 2287 638 638 556 291 582 1148 397 364 491 605 130 25 334 350 186
45E3 F35/30 2877 845 845 656 363 726 1495 476 388 580 750 130 25 357 415 212
10E4 F40/F35 3507 1060 964 832 451 902 1773 556 481 720 955 130 25 451 475 286

Please Fill in the Details for Prompt Response