Compact Scotch Yoke Actuator Series 98C | Bluebell - Authorized Valve Dealer & Supplier

Pneumatic Actuator

Series 98C

Compact Scotch Yoke Actuator

DESCRIPTION:

The compact Series 98C Scotch Yoke Actuator continues Bray’s commitment to provide products which exceed customers demanding applications. By utilizing proven technologies of the larger Series 98 scotch yoke actuator, the Series 98C, tested to withstand up to 1,000,000 cycles, offers a range of compact scotch yoke actuators with torque outputs up to 17,701 lbf-in (2,000 Nm).

SPECIFICATIONS:

• Pressure Range: 40 - 150 psi (2.8 - 10.3 bar)

• Media: Dry Compressed Air/Inert Gas/Natural Gas

• Torque Base: Mounting Dimensions as per ISO 5211: 2001(E)

• Performance Testing: EN 15714-3:2022

Detailed Specifications

Output Torque:Up to 17,701 lbf-in (2,000 Nm)
Control Options:On/Off, Direct Acting, Spring Return
Temperature Range:Standard: -20°F to 200°F (-29°C to 93°C)
High Temperature: Up to 300°F (149°C)
Low Temperature: Down to -50°F (-46°C)
Mounting:ISO 5211: 2001(E)
Supply Media:Dry Compressed Air/Inert Gas/Natural Gas
Power Source:Dry Compressed Air/Inert Gas/Natural Gas
Certifications:ATEX, PED, SIL 3 Suitable
Maximum Allowable Operating
Pressure:
40 - 150 psi (2.8 - 10.3 bar)
Enclosure Ratings:IP66, IP67M & IP68 per IEC 60529
Testing Standard:In accordance with EN 15714-3
Valve Compatibility:Ball Valves, Butterfly Valves
Accessories:Shaft Driven Accessories Mounting per NAMUR-VDE
Applications:Open / Close, On / Off, Modulating, Emergency Shutdown, Blowdown

Product GAD

Compact Scotch Yoke Actuator Series 98C Design

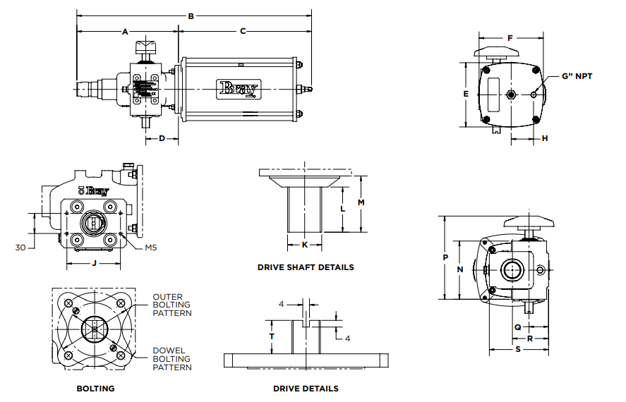
Dimensions

Model ISO Base A B C D E F G H J K L M N P Q R S T
25E1 F07 228 431 203 73 164 164 1/4" 57 80 17 23 28 116 166 39 72 118 20
50E1 F10 285 531 246 83 184 184 1/4" 67 80 22 24 30 124 176 50 95 151 20
10E2 F12 369 686 317 120 226 226 3/8" 85 130 27 32 40 148 210 57 114 180 30
20E2 F14 426 792 366 135 246 246 1/2" 93 130 36 38 47 181 265 72 137 213 30

Please Fill in the Details for Prompt Response