PT31 | Bluebell - Authorized Valve Dealer & Supplier

PT 31

PT 31

Balanced Pressure Thermostatic Steam Traps

DESCRIPTION:

The PT31 is a balanced pressure, diaphragm controlled steam trap for draining instrument tracing lines and other similar applications. This steam trap is designed to remove condensate at temperatures below the saturation temperature of steam.

TMA: Max.

220 oC

PMA: Max.

22 bar(g)

MOC

SS 304

End connection: Screwed NPT / BSPT / BSP / Socket Weld

Available Sizes

Material

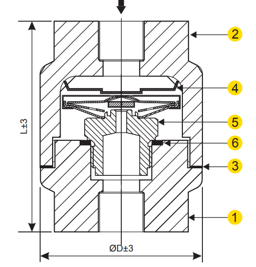
NO. PART MATERIAL QTY. (Nos.)
1. BODY ASTM A351 GR. CF8 01
2. COVER ASTM A351 GR. CF8 01
3. COVER GASKET COPPER 01
4. STRAINER SCREEN AISI 304 01
5. CONTROLLER ASSY. AISI 304 01
6. GASKET COPPER 01

Product GAD

Pennant PT31 Design

Dimensions

Nominal in mm

SIZE Ø D L Wt.
DN8, 10, 15, 20 55 70 0.8 kg

Ordering Information

1) Inlet Pressure in bar(g)

2) Back Pressure in bar(g)

3) Operating Temperature in oC

4) Condensate Load in kg/hr

5) Size & Model

6) End Connections

7) Sub Cooling (oC)

Please Fill in the Details for Prompt Response