PT31AV | Bluebell - Authorized Valve Dealer & Supplier

PT 31AV

PT 31AV

Air Vent

DESCRIPTION:

The PT31AV air vent is designed to remove air and noncondensible gases from steam systems. The removal of these gases is important for achieving better start-up efficiency and heat transfer in normal running.

TMA: Max.

220 oC

PMA: Max.

22 bar(g)

MOC

SS 304

End connection: Screwed (NPT / BSPT / BSP), Socket Weld

Available Sizes

Material

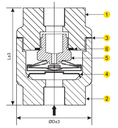
NO. PART MATERIAL QTY.
1. BODY AISI 304* 01
2. COVER AISI 304* 01
3. COVER GASKET NON-CAF 01
4. STRAINER SCREEN AISI 304 01
5. CONTROLLER ASSY. AISI 304 01
6. GASKET COPPER 01

Product GAD

Pennant PT31AV Design

Dimensions

Nominal in mm

SIZE Ø D L Wt.
DN8, 10, 15, 20 55 70 0.8 kg

Ordering Information

1) Inlet Pressure in bar(g)

2) Back Pressure in bar(g)

3) Operating Temperature in oC

Please Fill in the Details for Prompt Response