Series F15/F30 Flanged Floating Ball Valves are investment cast, ASME B16.34 Class 150 & Class 300 full port ball valves. They are available in a variety of optional trims and configurations, including V-ball control valve trims, and are used in virtually every industry across the globe.
• TMA: Max. NPS ½ to 12 / DN 15 to 300
• PMA: Max. - F15: ASME Class 150, F30: ASME Class 300, PN10, 16, 25, 40
• MOC: Stainless Steel (CF8M), Carbon Steel (WCB), Special Alloys
• SEAT: TFM 1600, Tek-Fil©, PEEK, RPTFE, UHMWPE, Metal
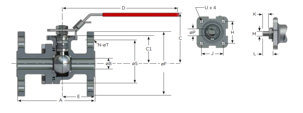
| DN | A | øB | C | C1 | D | E | øF | øS | N / øT | Kv | Torque* N m |
Weight kg |
|---|---|---|---|---|---|---|---|---|---|---|---|---|
| 15 | 108.0 | 15.0 | 73.25 | 39.0 | 165.0 | 45.5 | 88.9 | 60.5 | 4 × 15.8 | 28 | 4 | 2 |
| 20 | 117.0 | 20.0 | 75.40 | 42.4 | 165.0 | 51.0 | 98.6 | 69.9 | 4 × 15.8 | 52 | 7 | 2 |
| 25 | 127.0 | 24.9 | 86.69 | 52.0 | 199.9 | 54.0 | 108.0 | 79.0 | 4 × 15.8 | 91 | 11 | 4.5 |
| 40 | 165.0 | 37.9 | 106.6 | 66.0 | 249.9 | 70.0 | 127.0 | 98.6 | 4 × 15.8 | 238 | 26 | 6 |
| 50 | 177.8 | 50.0 | 115.01 | 74.9 | 264.9 | 78.0 | 152.0 | 120.7 | 4 × 19.0 | 433 | 44 | 9 |
| 65 | 190.5 | 65.0 | 168.40 | 86.0 | 389.9 | 78.0 | 177.8 | 139.7 | 4 × 19.0 | 675 | 56 | 16 |
| 80 | 203.0 | 76.0 | 175.65 | 93.0 | 389.9 | 95.0 | 190.5 | 152.0 | 4 × 19.0 | 995 | 73 | 20 |
| 100 | 228.6 | 101.0 | 192.90 | 111.5 | 389.9 | 113.5 | 228.6 | 190.5 | 8 × 19.0 | 1,817 | 170 | 29.5 |
| 150 | 393.7 | 151.9 | 314.55 | 182.0 | 389.9 | 136.9 | 279.0 | 241.0 | 8 × 22.0 | 4,325 | 367 | 71 |
| 200 | 457.0 | 199.9 | 321.58 | 193.0 | 990.0 | 212.0 | 342.0 | 298.5 | 8 × 22.0 | 8,304 | 537 | 132 |
| 250 | 533.0 | 249.9 | 375.85 | 251.0 | 990.0 | 265.9 | 406.0 | 362.0 | 12 × 22.0 | 12,975 | 1,548 | 227 |
| 300 | 609.6 | 300.0 | 415.85 | 291.0 | 990.0 | 305.0 | 482.6 | 431.8 | 12 × 25.0 | 18,165 | 2,226 | 318 |
| DN | A | ØB | C | C1 | D | E | ØF | ØS | N / ØT | Kv | Torque* N m |
Weight kg |
|---|---|---|---|---|---|---|---|---|---|---|---|---|
| 15 | 139.7 | 15.0 | 74.23 | 39.9 | 165.0 | 62.0 | 95.0 | 66.6 | 4 × 15.8 | 28 | 5 | 2 |
| 20 | 152.0 | 20.0 | 75.40 | 42.0 | 165.0 | 69.0 | 117.0 | 82.6 | 4 × 19.0 | 52 | 8 | 3 |
| 25 | 165.0 | 24.9 | 86.61 | 52.0 | 199.9 | 73.9 | 124.0 | 88.9 | 4 × 19.0 | 91 | 12 | 5 |
| 40 | 190.5 | 37.9 | 102.50 | 66.0 | 249.9 | 83.0 | 155.5 | 114.0 | 4 × 22.0 | 238 | 31 | 9 |
| 50 | 215.9 | 50.0 | 115.06 | 74.9 | 264.9 | 100.0 | 165.0 | 127.0 | 8 × 19.0 | 433 | 50 | 11 |
| 65 | 241.0 | 65.0 | 166.40 | 86.0 | 389.9 | 106.0 | 190.5 | 149.0 | 8 × 22.0 | 675 | 68 | 20 |
| 80 | 282.5 | 76.0 | 173.90 | 94.5 | 389.9 | 141.5 | 209.6 | 168.0 | 8 × 22.0 | 995 | 96 | 27.7 |
| 100 | 304.8 | 101.0 | 192.05 | 110.5 | 389.9 | 151.0 | 254.0 | 200.0 | 8 × 22.0 | 1,817 | 294 | 44 |
| 150 | 403.0 | 151.9 | 314.20 | 182.6 | 990.0 | 193.0 | 317.5 | 269.8 | 12 × 22.0 | 4,325 | 599 | 110 |
| 200 | 501.7 | 199.9 | 351.05 | 219.5 | 990.0 | 237.0 | 381.0 | 330.0 | 12 × 25.0 | 8,304 | 859 | 195 |
| 250 | 568.5 | 249.9 | 246.0 | 284.0 | 990.0 | 284.0 | 444.5 | 387.0 | 16 × 28.5 | 12,975 | 2,011 | 277 |
| 300 | 647.7 | 300.0 | — | 286.0 | 990.0 | 325.0 | 520.7 | 450.9 | 16 × 31.8 | 18,165 | 2,802 | 431 |